公司介绍
董事长致辞
领导团队
企业荣誉
领导关怀
宏达风貌
时博官网
公司公告
公司新闻
媒体看宏达
行业新闻
政策法规
党建工会
党委
工委
宏达文化
文化理念
宏达之歌
营销中心
棒材
钢坯
线材
盘螺
产品认证
客户留言
客户留言
时博(中国)
时博(中国)
招聘信息
电商平台
首页
公司介绍
公司概况
董事长致辞
领导团队
企业荣誉
领导关怀
宏达风貌
时博官网
公司公告
公司新闻
媒体看宏达
行业新闻
政策法规
党建工会
党委
工会
宏达文化
文化理念
宏达之歌
营销中心
棒材
钢坯
线材
盘螺
产品认证
客户留言
时博(中国)
时博(中国)
招聘信息
电商平台
公司介绍
公司概况
董事长致辞
领导团队
企业荣誉
领导关怀
宏达风貌
时博官网
公司公告
公司新闻
媒体看宏达
行业新闻
政策法规
党建工会
党委
工委
宏达文化
文化理念
宏达之歌
营销中心
棒材
钢坯
线材
盘螺
产品认证
客户留言
客户留言
时博(中国)
时博(中国)
招聘信息
电商平台
时博官网
首页
时博官网
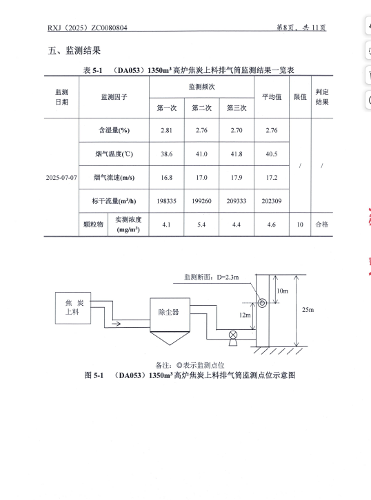
第3季度污染物自行监测
第3季度污染物自行监测
时间:
2025-10-22
第3季度污染物监测结果
时博官网球团生产项目 环境保护设施调试日期信息公示
400-635-6661(售后投诉)
sxhdjt@163.com
拼搏在线官方网站
|
开云手机网页入口
|
开云app官方网
|
开云app官方在线入口
|
安博站官网登录入口
|
新利指定网站
|
安博游戏
|
拼搏在线官方网站
|
拼搏官方网站
|